| Solar s.a.s. - Cilindri di serie saldati - P3: forcella |
| |
| |
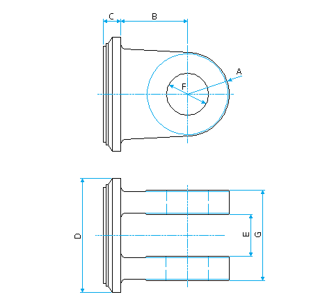
| DIMENSIONI: | |||||||
| ALESAGGIO Ø | A | B | C | D | E 0/+0,3 | F D13 | G |
| 40 | 20 | 30 | 11 | 50 | 20 | 20 | 40 |
| 50 | 60 | ||||||
| 60 | 27 | 45 | 15 | 75 | 25 | 30 | 55 |
| 70 | 85 | ||||||
| 80 | 35 | 55 | 15 | 95 | 35 | 35 | 75 |
| 90 | 105 | ||||||
| 100 | 45 | 70 | 25 | 120 | 45 | 50 | 100 |
| 110 | 130 | ||||||
| 120 | 140 | ||||||
| 140 | 60 | 80 | 28 | 165 | 60 | 60 | 120 |
| 160 | 33 | 190 | |||||