| Solar s.a.s. - Cilindri di serie saldati - A3: attacco a forcella per stelo |
| |
| |
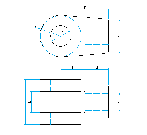
| DIMENSIONI: | |||||||||
| ALESAGGIO Ø | A | B | C | D | E 0/+0,3 | F D13 | G | H | I |
| 40 | 20 | 45 | 30 | M 16 x 1,5 | 20 | 20 | 22 | 23 | 40 |
| 50 | |||||||||
| 60 | 27 | 70 | 40 | M 22 x 1,5 | 25 | 30 | 30 | 40 | 55 |
| 70 | |||||||||
| 80 | 35 | 80 | 54 | M 30 x 2 | 35 | 35 | 40 | 40 | 75 |
| 90 | |||||||||
| 100 | 45 | 100 | 70 | M 42 x 2 | 45 | 50 | 50 | 50 | 100 |
| 110 | |||||||||
| 120 | |||||||||
| 140 | 60 | 140 | 120 | M 56 x 2 | 60 | 60 | 60 | 80 | 120 |
| 160 | |||||||||